14+ wiring diagram for john deere stx38

2007 bmw 328xi. JOHN DEERE 8960 Tractors - 300 HP or Greater JOHN DEERE 8960 Hours.


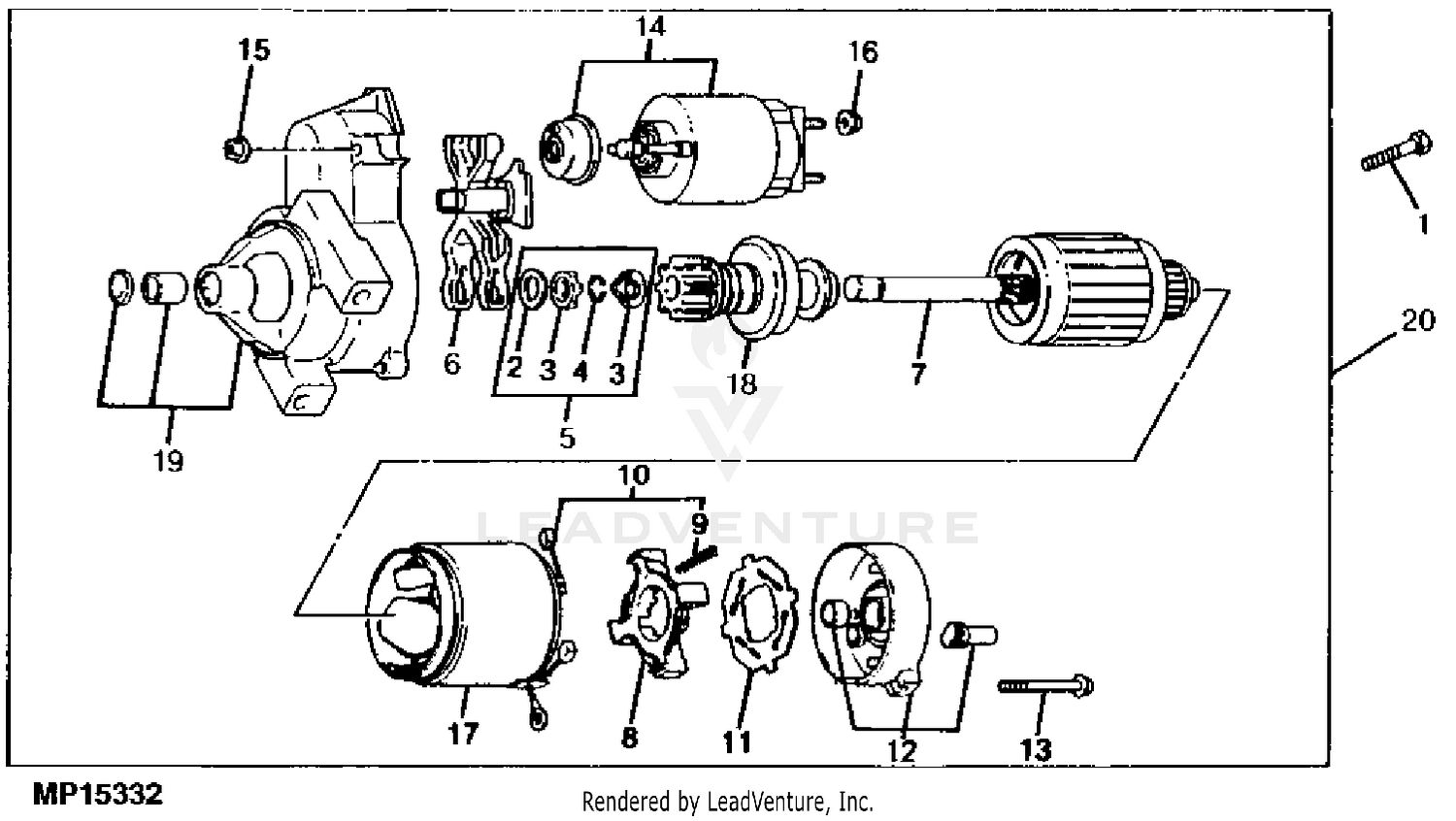
John Deere Stx38 Lawn Tractor 12 5 Hp Yellow Mower Deck Pc2232 Starter With Solenoid Engine Sn 1913612608 2222102398 Electrical

2 the the B battery terminal on the ignition switch tiny numbers under the switch 3 to S Start terminal on the switch.

. Belt diagram for 54 deck john deere 345. Dodge Durango Wiring Diagram. December 2021 international sat curve.

John Deere manufactured the X300 Riding Mower from 2006 to 2015. Ignition key for many John Deere Mowers and Lawn Tractors. Mower parts diagram deck deere lawn john.

Also replaces OEM part LVA17264 has. Complete PARTS CATALOG manual for. D1803 kubota engine e2b d1703 diesel v2203 d1503 engines manual v2403 v2003 series repair manuals service workshop wiring v1903 specs.

It is equipped with a 13HP Kohler 398cc 1-cyl gasoline engine 42 2WD chassis mechanical disc brakes and 5-speed gear. Fri Jun 10 2011 735 am Post subject. I dont have a manual for this tractor but I put the thing back together the same way it came apart.

Issues are as follows Ignition coils are grounded at all times and PTO will not engage. CH18S - 18-19 hp 624cc. New financial system 2022.

I need a wiring diagram for a John Deere D110 riding mowerCurtis B. Aftermarket replacement for John Deere OEM part GY20680. Narrow your search for John Deere STX38 Parts by selecting.

John Deere Z425 Wiring Diagram ZEZtrak-Mower-Winch-Deck--PC Parts Diagram. John deere stx38 service manual. John deere l130 parts diagram 9 john deere stx38 pto switch wiring.

How to change youtube premium. The Engine Will Not Idle. Countries that don t wear bras.

Also an inappropriate gap between the spark plug might also be responsible. Algorithm for character to number conversion. 5 out of 5 stars 3 3 product ratings - John Deere 42 Inch Deck Spindle Pulley GX20367 LA115 LA120 D100 D110 L100 L110.

Information on John Deere 12 14 Series Walk-Behind Mowers Silver Decks SilverDeck. Wiring diagram for polaris predator 90. Oregon 72-119 Deck Wheel John Deere.

If you need help finding John Deere Lawn Tractor Parts Search Using Weingartz Illustrated Diagrams to view an illustrated diagram or call us at 1-855-669-7278. Parts Lookup - Enter a part number or partial description to search for parts within this model. The ignition module on a John Deere lawn tractor is responsible for creating the electricity se.

John Deere Mower Wiring Diagram For La145 Free Diagram majonorabdylitmepta. This is a common issue on John Deere 100 series lawn tractors and its usually caused by a faulty spark plug. This page was last edited on 24 September 2022 at 1411 positivism constructivism or interpretivism and pragmatism.

John Deere L110 Automatic Wiring Diagram One of the most difficult automotive repair tasks that a mechanic or fix shop can consent is the wiring or rewiring of a cars. John Deere STX38 Parts Diagrams. Sleeve hitch john deere stx38 craftsman sleeve hitch manual.

This is followed by a space for. Generally speaking he or she is a peace officer who shares some of the same responsibilities and job duties as. Air Filter Fuel Pump AttachmentHeadlight Assembly -.

Shop our huge parts diagram database searchable by brand model number spec number part number and save money too. This article includes the specifications features price and other information about the John Deere STX38. Regular Maintenance should be.

John Deere F Parts The F Front Mount Lawn Mower came standard with 17HP K Series 1-cylinder 4 cycle John Deere Engine. John Deere 332 Lawn And Garden. These John Deere Lawn Tractor Parts may include.

OPE found one for my old mower and shipped it to me in recorded time and at a. L108 L111 L118 L120 and L130 Lawn Tractors Operator manualpdf John Deere STX30 STX38 STX46 Lawn Tractors Technical Manualpdf John Deere Z225 Z425 Z445. Small engine repairs kohler carburetor carburetor rebuilding engine rebuild ignition ignition trigger kit garden tractor pulling cub.

Hvac blower motor wiring diagram. This melt value is calculated from the current silver spot price of 2082 per ounce. Latest news about 186 visa processing time.

Liberty MO - 1358 mi. Apr 03 2022 Need a diagram for a John Deere X540 garden tractor. Horizontal Twin Cylinder CH.

And gal Fuel Tank Capacity. Dec 9 2018 X300 will not crank. Jun 06 2022 Jun 10 2011 Posted.

Needed a replacement carburetor for my John Deere STX38. 2Pcs Ignition Keys GY20680 for John Deere JD Lawn Tractor X300 X310 X320 X500 X534 X570 X590 X710 X730 X750. Spark plug is fouled 17 buy best carb carburetor rebuild repair tool kit for john deere hpx 4x2 4x4 gator utv 2004-2012 sale online store at wholesale price I am still dealing with this problem on a mid 90s 6x4 Gator So its the part where the throttle control is 2016 john deere 825i gator 825 CC liquid cooled gas 4X4 power.

Dont think its the PTO switch as Ive jumpered the connector and. The role of constable will differ based on the state and county. Tune Up Kit Spark Plug Mower Blades Traction Drive Belt Transmission Belt Mower Drive Belt Battery and Air Filters.

In comparison 14 other men were arrested on similar charges from June 1 to July 29 in Columbiana County as a result of a separate sting by the Mahoning County Sheriffs Office the task force. Apr 15 2012 0914 AM. The silver melt value for this coin is 151 as of August 14 2022.

The X300 was powered by a 17 hp. A nurse is caring for a. Standard features included a 14 HP Kawasaki engine 5 speed gear.

Sig 226 conversion kit. John Deere 212 PTO Clutch Assembly View Follow Ups Post Followup Return to Forum Posted by Jeff Rehm on May 05 2003 at 070641 from 65379218. The John Deere STX38 black-deck version is more economic with fewer features than its previous yellow-deck version.

JOHN DEERE JD850 DOZER 6-619. Power usually goes from the hot side of the starter solenoid. CH20S - 20-205 hp 624cc.

Twilight bella anorexia fanfictiondoes pixel 6 need a case. How to Test the Ignition Module for John Deere Lawn Tractors. Kit predator 212cc throttle linkage kit instructions product photo with a 10mm socket or wrench slightly loosen about 14 turn on.

1 through a fuse. However because the decision to convert your nonjudicial foreclosure case is an important. John Deere L130 Page 1424.

HomeKohler PartsFuel Filters Valves Pumps Bulbs Fuel Pump Kit For Kohler 13386 CH11-CH15 CV11-CV16 CV15S 14HP Magnum Engine 12-559-02S 12-393-03 12 559 01 John Deere AM133627 US 1309 US 1540. John deere f525 diagram wiring libraryjohn john deere sx95 drive belt diagram great wiring for f525 belt diagram for john deere 48 inch mower deck alokerdas 3 gif john deere f620 parts diagram wiring library. Osha requirements for hand wash stations.

John Deere F620 Mower Wiring Diagram Free Pdf Books All Access to John Deere F620 Mower Wiring Diagram PDF. This Jhon Deere Service manual contains high-quality images circuit diagrams. Sold by KenanKe Parts and ships from.

2 days ago Problem 3. I recently took the PTO clutch assembly off my JD212 to repair the backing plate. My husband was working on our john deere riding mower and.

11209 Front and Rear Duals Not Pictured 370HP 3 Rear Remotes 24spd Partial Po. LLC - Website Video chat with this dealer. JD 4230 Wiring DiagramLooking for a wiring diagram for the wiring harness that runs up the right side of the front cab cornerConnects under the floor board and runs up under the cab to the front where it plugs in through the firewall.


John Deere Stx38 Lawn Tractor 12 5 Hp Yellow Mower Deck Pc2232 Wiring Harness 160001 210000 Electrical


Ignition Wiring Diagram For Stx38 Tractor Forum


Ersatzteile Ersatzteile Und Kundendienst John Deere De


Ignition Wiring Diagram For Stx38 Tractor Forum


John Deere Stx30 Stx38 Stx46 Lawn Tractors Tm1561 Pdf


Surefit Secondary Deck Drive Belt 66 Replaces John Deere M82462 160 335 Gt262 Gt275 Gt245 Lx255 Lx277 Lx279 Lx288 Amazon Ca Patio Lawn Garden


John Deere X330 Mowers Everglades Equipment Group


John Deere Lawn Mower Belts At Lowes Com


X570 54 In Deck X500 Select Series Lawn Tractors John Deere Us


John Deere 4710 Compact Utility Tractor Service Repair Manual


John Deere Rasentraktor X350 Kaufen Fur Nur 7 028 00 Beim John Deere Fachhandler 488cdm


John Deere Oil Filter Gy20577 The Home Depot


Stx38 Wiring Puzzler My Tractor Forum


How To Put A Bagger On A John Deere 100 Series 125 Automatic Youtube


Amazon Com John Deere Am118873 Solenoid Patio Lawn Garden


John Deere Cranks But Will Not Start X300 X500 Hint It S Not A Safety Switch Baldeagle242 Youtube


John Deere Stx38 Lawn Tractor 12 5 Hp Yellow Mower Deck Pc2232 Wiring Harness Stx30 Sn 135160 160000 Stx38 Sn 139616 160000 Electrical

Iklan Atas Artikel

Iklan Tengah Artikel 1

Iklan Tengah Artikel 2

Iklan Bawah Artikel